Product Summary
The pm50rsa120 1 is a Mitsubishi Intelligent Power Module. The pm50rsa120 1 is isolated base modules designed for power switching applications operating at frequencies to 20kHz. Built-in control circuits provide optimum gate drive and protection for the IGBT and free-wheel diode power devices. The applications of the pm50rsa120 1 include Inverters UPS, Motion/Servo Control, Power Supplies.
Parametrics
pm50rsa120 1 absolute maximum ratings: (1)Power Device Junction Temperature, Tj: -20 to 150 ℃; (2)Storage Temperature, Tstg: -40 to 125 ℃; (3)Case Operating Temperature, TC: -20 to 100 ℃; (4)Mounting Torque, M4 Mounting Screws: 0.98 to 1.47 Nm; (5)Module Weight (Typical): 60 Grams; (6)Supply Voltage Protected by OC and SC, VCC(prot.): 400 Volts; (7)Isolation Voltage, Viso: 2500 Vrms.
Features
pm50rsa120 1 features: (1)Complete Output Power Circuit; (2)Gate Drive Circuit; (3)Protection Logic.
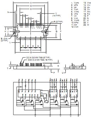
Diagrams

(Hong Kong)






