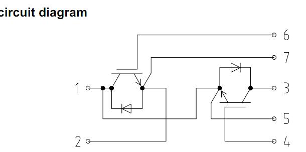
Product Summary
                                                  	The ff300r12k54 is an IGBT-Module.
                                                  
Parametrics
ff300r12k54 absolute maximum ratings: (1)collector-emitter voltage, VCES: 1200V; (2)DC-collecotr current, IC nom: 300A; IC: 440A; (3)repetitive peak collector current, ICRM: 600A; (4)total power dissipation, Ptot: 1450W; (5)gate-emitter peak voltage, VGES: +/-20V.
Features
ff300r12k54 features: (1)repetitive peak reverse voltage, VRRM: 1200V; (2)DC forward current, IF: 300A; (3)repetitive peak forward current, IFRM: 600A; (4)I2t value, I2t: 19000A2s.
Diagrams

 (Hong Kong)
 (Hong Kong) 
                         
                        
 
                                    




