Product Summary
                                                  	The qm50dy-2h is a MITSUBISHI TRANSISTOR MODULE. The applications of the qm50dy-2h include Inverters, Servo drives, UPS, DC motor controllers, NC equipment, Welders.
                                                  
Parametrics
qm50dy-2h absolute maximum ratings: (1)VCEX (SUS), Collector-emitter voltage: 1000 V; (2)VCEX, Collector-emitter voltage: 1000 V; (3)VCBO, Collector-base voltage: 1000 V; (4)VEBO, Emitter-base voltage: 7 V; (5)IC, Collector current: 50 A; (6)IC, Collector reverse current: 50 A; (7)PC, Collector dissipation: 400 W; (8)IB, Base current: 3 A; (9)ICSM, Surge collector reverse current: 500 A; (10)Tj, Junction temperature: -40 to +150 ℃; (11)Tstg, Storage temperature: -40 to +125 ℃; (12)Viso, Isolation voltage: 2500 V; (13)Mounting torque: 1.47 to 1.98 Nm; (14)Weight: 210 g.
Features
qm50dy-2h features: (1)IC, Collector current: 50A; (2)VCEX, Collector-emitter voltage: 1000V; (3)hFE, DC current gain: 75; (4)Insulated Type; (5)UL Recognized.
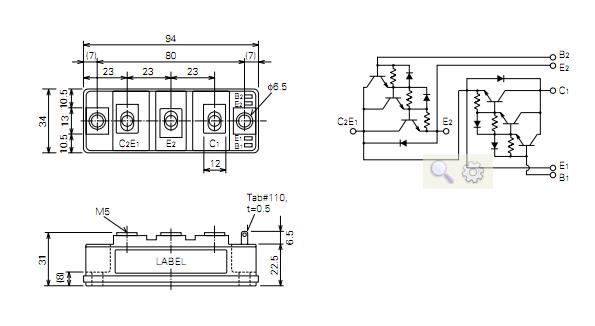
Diagrams

| Image | Part No | Mfg | Description |  | Pricing (USD) | Quantity | ||||
|---|---|---|---|---|---|---|---|---|---|---|
|  |  QM50DY-2H |  Other |  |  Data Sheet |  Negotiable |  | ||||
| Image | Part No | Mfg | Description |  | Pricing (USD) | Quantity | ||||
|  |  QM500HA-H |  Other |  |  Data Sheet |  Negotiable |  | ||||
|  |  QM50CY-H |  Other |  |  Data Sheet |  Negotiable |  | ||||
|  |  QM50DY-24 |  Other |  |  Data Sheet |  Negotiable |  | ||||
|  |  QM50DY-24B |  Other |  |  Data Sheet |  Negotiable |  | ||||
|  |  QM50DY-2H |  Other |  |  Data Sheet |  Negotiable |  | ||||
|  |  QM50DY-H |  Other |  |  Data Sheet |  Negotiable |  | ||||
 (Hong Kong)
 (Hong Kong) 
                         
                        
 
                                    




