Product Summary
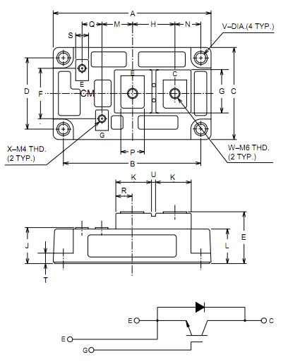
The cm300ha-24 is a Mitsubishi IGBT Module. The cm300ha-24 is designed for use in switching applications. The cm300ha-24 consists of one IGBT in a single configuration with a reverse-connected super-fast recovery free-wheel diode. All components and interconnects of the cm300ha-24 are isolated from the heat sinking baseplate, offering simplified system assembly and thermal management. The applications of the cm300ha-24 include AC Motor Control, Motion/Servo Control, UPS, Welding Power Supplies.
Parametrics
cm300ha-24 absolute maximum ratings: (1)Junction Temperature, Tj: -40 to 150 ℃; (2)Storage Temperature, Tstg: -40 to 125 ℃; (3)Collector-Emitter Voltage (G-E SHORT), VCES: 1200 Volts; (4)Gate-Emitter Voltage (C-E SHORT), VGES: ±20 Volts; (5)Collector Current (Tc = 25 ℃), IC: 300 Amperes; (6)Peak Collector Current (Tj ≤ 150 ℃), ICM: 600* Amperes; (7)Emitter Current (Tc = 25 ℃), IE: 300 Amperes; (8)Peak Emitter Current, IEM: 600 Amperes; (9)Maximum Collector Dissipation (Tc = 25 ℃), Pc: 2100 Watts; (10)Mounting Torque, M6 Main Terminal: 1.96 to 2.94 Nm; (11)Mounting Torque, M6 Mounting: 1.96 to 2.94 Nm; (12)Mounting Torque, M4 Terminal: 0.98 to 1.47 Nm; (13)Weight: 400 Grams; (14)Isolation Voltage, Viso: 2500 Vrms.
Features
cm300ha-24 features: (1)Low Drive Power; (2)Low VCE(sat); (3)Discrete Super-Fast Recovery Free-Wheel Diode; (4)High Frequency Operation; (5)Isolated Baseplate for Easy Heat Sinking.
Diagrams

| Image | Part No | Mfg | Description | ![]() |
Pricing (USD) |
Quantity | ||||||
|---|---|---|---|---|---|---|---|---|---|---|---|---|
![]() |
![]() CM300HA-24H |
![]() |
![]() IGBT MOD SGL 1200V 300A H SER |
![]() Data Sheet |
![]() Negotiable |
|
||||||
| Image | Part No | Mfg | Description | ![]() |
Pricing (USD) |
Quantity | ||||||
![]() |
![]() CM3002 |
![]() Other |
![]() |
![]() Data Sheet |
![]() Negotiable |
|
||||||
![]() |
![]() CM300DU-12F |
![]() |
![]() IGBT MOD DUAL 600V 300A F SER |
![]() Data Sheet |
![]()
|
|
||||||
![]() |
![]() CM300DU-12H |
![]() |
![]() IGBT MOD DUAL 600V 300A U SER |
![]() Data Sheet |
![]()
|
|
||||||
![]() |
![]() CM300DU-12NFH |
![]() |
![]() IGBT MOD DUAL 600V 300A NFH SER |
![]() Data Sheet |
![]()
|
|
||||||
![]() |
![]() CM300DU-24F |
![]() |
![]() IGBT MOD DUAL 1200V 300A F SER |
![]() Data Sheet |
![]()
|
|
||||||
![]() |
![]() CM300DU-24H |
![]() |
![]() IGBT MOD DUAL 1200V 300A U SER |
![]() Data Sheet |
![]()
|
|
||||||
(Hong Kong)









