Product Summary
The 2mbi100u4a-120 is an IGBT Module.
Parametrics
2mbi100u4a-120 absolute maximum ratings: (1)Collector-Emitter voltage, VCES: 1200 V; (2)Gate-Emitter voltage, VGES: ±20 V; (3)Collector current, IC: 150 A; (4)Storage temperature, PC: 540 W; (5)Collector Power Dissipation, TJ: +150 ℃; (6)Junction temperature, TSTG: -40 to +125 ℃; (7)Isolation voltage, VISO: 2500 VAC; (8)Screw Torque: 3.5 Nm.
Features
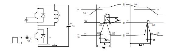
2mbi100u4a-120 features: (1)Zero gate voltage collector current, ICES: 1.0 mA; (2)Gate-Emitter leakage current, IGES: 200 nA; (3)Gate-Emitter threshold voltage, VGE: 4.5 to 8.5 V; (4)Collector-Emitter saturation voltage, VCE: 2.05 to 2.20 V; (5)Turn-off time: 0.41 to 1.00 us; (6)Input capacitance: 11 nF; (7)Turn-on time: 0.32 to 1.20 us; (8)Forward on voltage, VF: 1.80 to 1.95 V; (9)Reverse recovery time: 0.35 us; (10)Lead resistance, terminal-chip: 1.39 mΩ.
Diagrams

(Hong Kong)






