Product Summary
The x2g75sd12p1 is a 2-PACK IGBT MODULE. The applications of the x2g75sd12p1 include High power inverter, Switched mode power supplies (SMPS), UPS, Electrical welding machine.
Parametrics
x2g75sd12p1 absolute maximum ratings: (1)VCES, Collector-emitter voltage: 1200 V; (2)IC, DC-collector current: 100 A; (3)ICRM, Repetitive peak collector current: 150 A; (4)VGES, Gate-emitter peak voltage: ±20 V; (5)IF, Diode continuous forward current: 75 A; (6)IFRM, Diode repetitive peak forward current: 150 A; (7)Tvj,max, Maximum junction temperature: -40 to 150 ℃; (8)Tvj,op, Operating temperature range: -40 to 125 ℃; (9)Tstg, Storage temperature range: -40 to 125 ℃; (10)VISOL, Insulation test voltage: 2.5 kV; (11)MS, Mounting screw torque: 3.0 to 6.0 N.m; (12)Mt, Mounting terminals screw torque: 2.5 to 5.0 N.m.
Features
x2g75sd12p1 features: (1)Soft Punch Through (SPT+) Technology; (2)Fast & soft inverse CAL diodes; (3)10us short circuit capability; (4)Positive VCE(on) temperature coefficient; (5)Industry standard package.
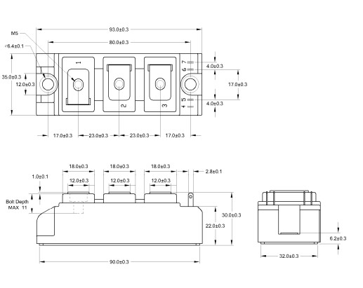
Diagrams

 (Hong Kong)
 (Hong Kong) 
                         
                        
 
                                    




