Product Summary
The mg400v1us51a is a MITSUBISHI IGBT MODULE. The applications of the mg400v1us51a include General purpose inverters, servo drives and motor controls.
Parametrics
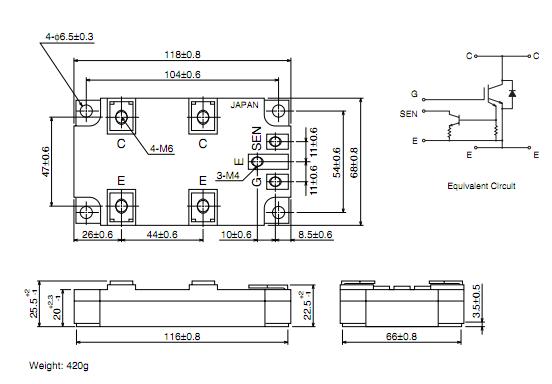
mg400v1us51a absolute maximum ratings: (1)VCES, Collector-emitter voltage: 1700 V; (2)VGES, Gate-emitter voltage: ±20 V; (3)VSES, Sense-emitter voltage: 40 V; (4)IC, Collector: 400 A; (5)ICP, current: 800 A; (6)IF, Forward: 400 A; (7)IFM, current: 800 A; (8)PC, Collector power dissipation: 2750 W; (9)Tj, Junction temperature: 150 ℃; (10)Tstg, Storage temperature range: -40 to 125 ℃; (11)Vlsol, Isolation voltage: 4000 V; (12)Screw: 2/3 Nm; (13)torque: 3 Nm.
Features
mg400v1us51a features: (1)The electrodes are isolated from case; (2)Enhancement-mode; (3)Integrates fault-signal output circuit in package; (4)UL Recognized Yellow Card No.E80276.
Diagrams

| Image | Part No | Mfg | Description | ![]() |
Pricing (USD) |
Quantity | ||||
|---|---|---|---|---|---|---|---|---|---|---|
![]() |
![]() MG400V1US51A |
![]() Other |
![]() |
![]() Data Sheet |
![]() Negotiable |
|
||||
| Image | Part No | Mfg | Description | ![]() |
Pricing (USD) |
Quantity | ||||
![]() |
![]() MG400J2YS60A |
![]() Other |
![]() |
![]() Data Sheet |
![]() Negotiable |
|
||||
![]() |
![]() MG400J2YS61A |
![]() |
![]() IGBT MOD CMPCT DUAL 600V 400A |
![]() Data Sheet |
![]() Negotiable |
|
||||
![]() |
![]() MG400Q1US41 |
![]() Other |
![]() |
![]() Data Sheet |
![]() Negotiable |
|
||||
![]() |
![]() MG400Q1US65H |
![]() Other |
![]() |
![]() Data Sheet |
![]() Negotiable |
|
||||
![]() |
![]() MG400Q2YS60A |
![]() |
![]() IGBT MOD CMPCT DUAL 1200V 400A |
![]() Data Sheet |
![]() Negotiable |
|
||||
![]() |
![]() MG400V1US51A |
![]() Other |
![]() |
![]() Data Sheet |
![]() Negotiable |
|
||||
(Hong Kong)









