Product Summary
The bsm100gd120dlc 1 is an IGBT Module.
Parametrics
bsm100gd120dlc 1 absolute maximum ratings: (1)Kollektor-Emitter-Sperrspannung collector-emitter voltage, VCES: 1200 V; (2)Kollektor-Dauergleichstrom DC-collector current, IC: 160 A; (3)Periodischer Kollektor Spitzenstrom repetitive peak collector current, ICRM: 200 A; (4)Gesamt-Verlustleistung total power dissipation, Ptot: 650 W; (5)Gate-Emitter-Spitzenspannung gate-emitter peak voltage, VGES: +/- 20V V; (6)Dauergleichstrom DC forward current, IF: 100 A; (7)Periodischer Spitzenstrom repetitive peak forw. current, IFRM: 200 A; (8)Grenzlastintegral der Diode I2t - value, Diode, I2t: 1.71 kA2s; (9)Isolations-Prüfspannung insulation test voltage, VISOL: 2.5 kV.
Features
bsm100gd120dlc 1 features: (1)Kollektor-Emitter Sattigungsspannung collector-emitter saturation voltage, VCE sat: 2.1 to 2.6 V; (2)Gate-Schwellenspannung gate threshold voltage, VGE(th): 4.5 to 6.5 V; (3)Gateladung gate charge, QG: 1,1 μC; (4)Eingangskapazitat input capacitance, Cies: 6,5 nF; (5)Ruckwirkungskapazitat reverse transfer capacitance, Cres: 0,42 nF; (6)Kollektor-Emitter Reststrom, ICES: 10 to 500 μA; (7)collector-emitter cut-off current: 500 μA; (8)Gate-Emitter Reststrom gate-emitter leakage current, IGES: 400 nA.
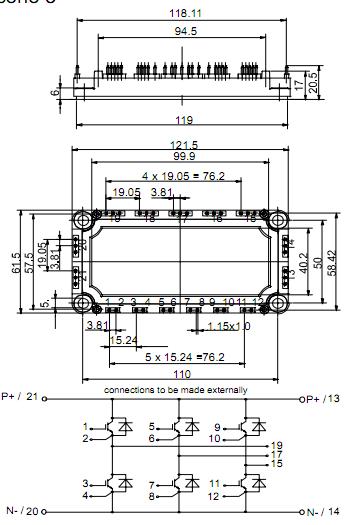
Diagrams

(Hong Kong)






