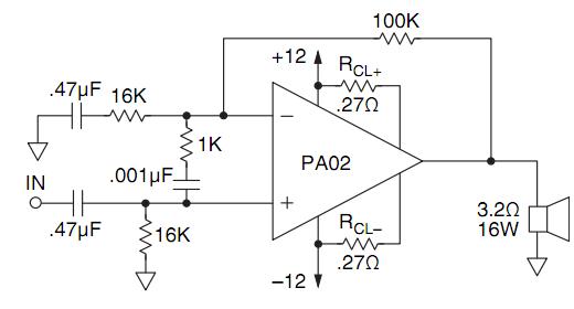
Product Summary
The PA02A is a wideband, high output current operational amplifier. The PA02A designed to drive resistive, inductive and capacitive loads. Their complementary “collector output” stage can swing close to the supply rails and is protected against inductive kickback. For optimum linearity, the output stage is biased for class A/B operation. The safe operating area (SOA) can be observed for all operating conditions by selection of user programmable, current limiting resistors (down to 10mA). Both amplifiers are internally compensated but are not recommended for use as unity gain followers. For continuous operation under load, mounting on a heatsink of proper rating is recommended. The applications of the PA02A include motor, valve and actuator control, magnetic deflection circuits up to 5a, power transducers up to 350 khz, audio amplifiers up to 30w rms.
Parametrics
PA02A absolute maximum ratings: (1)SUPPLY VOLTAGE, +VS to –VS: 38V; (2)OUTPUT CURRENT, within SOA: 5A; (3)POWER DISSIPATION, internal: 48W; (4)INPUT VOLTAGE, differential: ±VS –5V; (5)INPUT VOLTAGE, common mode: ±VS –2V; (6)TEMPERATURE, pin solder - 10s: 300℃; (7)TEMPERATURE, junction1: 150℃; (8)TEMPERATURE RANGE, storage: –65 to +150℃; (9)OPERATING TEMPERATURE RANGE, case: –55 to +125℃.
Features
PA02A features: (1)HIGH POWER BANDWIDTH — 350kHz; (2)HIGH SLEW RATE — 20V/μs; (3)FAST SETTLING TIME — 600ns; (4)LOW CROSSOVER DISTORTION — Class A/B; (5)LOW INTERNAL LOSSES — 1.2V at 2A; (6)HIGH OUTPUT CURRENT — ±5A PEAK; (7)LOW INPUT BIAS CURRENT — FET Input; (8)ISOLATED CASE — 300 VDC.
Diagrams
| Image | Part No | Mfg | Description | ![]() |
Pricing (USD) |
Quantity | ||||
|---|---|---|---|---|---|---|---|---|---|---|
![]() |
![]() PA02A-S |
![]() Cirrus Logic |
![]() Operational Amplifiers - Op Amps Linear OpAmp 38V 5A "A" Grade |
![]() Data Sheet |
![]() Negotiable |
|
||||
![]() |
![]() PA02A |
![]() Cirrus Logic |
![]() Operational Amplifiers - Op Amps Linear OpAmp 38V 5A A Grade |
![]() Data Sheet |
![]() Negotiable |
|
||||
(Hong Kong)









