Product Summary
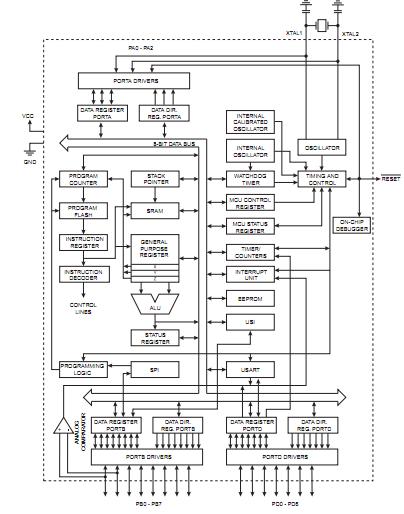
The ATTINY2313A-SU is a low-power CMOS 8-bit microcontroller. The ATTINY2313A-SU is based on the AVR enhanced RISC architecture. By executing powerful instructions in a single clock cycle, the ATTINY2313A-SU achieves throughputs approaching 1 MIPS per MHz allowing the system designer to optimize power consumption versus processing speed.
Features
ATTINY2313A-SU features: (1)High Performance, Low Power AVR 8-Bit Microcontroller; (2)Advanced RISC Architecture; (3)Peripheral Features, One 8-bit Timer/Counters with Separate Prescaler and Compare Mode; (4)Special Microcontroller Features; (5)I/O and Packages; (6)Operating Voltage: – 1.8 – 5.5V; (7)Speed Grades: – 0 – 4 MHz @ 1.8 – 5.5V; (8)Industrial Temperature Range: -40℃ to +85℃; (9)Low Power Consumption.
Diagrams
| Image | Part No | Mfg | Description | ![]() |
Pricing (USD) |
Quantity | ||||||||||||
|---|---|---|---|---|---|---|---|---|---|---|---|---|---|---|---|---|---|---|
![]() |
![]() ATTINY2313A-SU |
![]() Atmel |
![]() 8-bit Microcontrollers (MCU) 2K FLASH 128B EE 128B SRAM 1 UART |
![]() Data Sheet |
![]()
|
|
||||||||||||
![]() |
![]() ATTINY2313A-SUR |
![]() Atmel |
![]() 8-bit Microcontrollers (MCU) AVR 2K FLSH 128B EE 128B SRAM 1UART20MHz |
![]() Data Sheet |
![]()
|
|
||||||||||||
(Hong Kong)










