Product Summary
The ATMEGA169PV-8AU is a low-power CMOS 8-bit microcontroller. The ATMEGA169PV-8AU is based on the AVR enhanced RISC architecture. By executing powerful instructions in a single clock cycle, the ATMEGA169PV-8AU achieves throughputs approaching 1 MIPS per MHz allowing the system designer to optimize power consumption versus processing speed.
Parametrics
ATMEGA169PV-8AU absolute maximum ratings: (1)Operating Temperature: -55℃ to +125℃; (2)Storage Temperature: -65℃ to +150℃; (3)Voltage on any Pin except RESET with respect to Ground: -0.5V to VCC+0.5V; (4)Voltage on RESET with respect to Ground: -0.5V to +13.0V; (5)Maximum Operating Voltage: 6.0V; (6)DC Current per I/O Pin: 40.0 mA; (7)DC Current VCC and GND Pins: 400.0 mA.
Features
ATMEGA169PV-8AU features: (1)High Performance, Low Power AVR 8-Bit Microcontroller; (2)Advanced RISC Architecture; (3)Non-volatile Program and Data Memories; (4)JTAG (IEEE std. 1149.1 compliant) Interface; (5)Peripheral Features, 4 × 25 Segment LCD Driver; (6)Special Microcontroller Features; (7)I/O and Packages; (8)Speed Grade: ATmega169PV: 0 - 4 MHz @ 1.8 - 5.5V, 0 - 8 MHz @ 2.7 - 5.5V; (9)Temperature range: -40℃ to 85℃ Industrial; (10)Ultra-Low Power Consumption, Active Mode: 1 MHz, 1.8V: 330 μA.
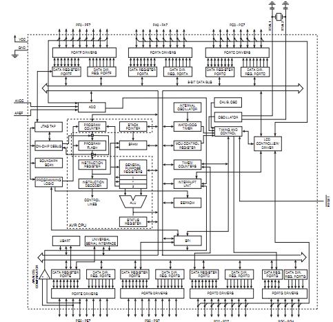
Diagrams
| Image | Part No | Mfg | Description | ![]() |
Pricing (USD) |
Quantity | ||||||||||||
|---|---|---|---|---|---|---|---|---|---|---|---|---|---|---|---|---|---|---|
![]() |
![]() ATMEGA169PV-8AU |
![]() Atmel |
![]() 8-bit Microcontrollers (MCU) AVR 16K FLASH 512B EE 1K SRAM 5V |
![]() Data Sheet |
![]()
|
|
||||||||||||
![]() |
![]() ATMEGA169PV-8AUR |
![]() Atmel |
![]() 8-bit Microcontrollers (MCU) AVR LCD 16KB FLSH EE 512B 1KB SRAM-8MHZ |
![]() Data Sheet |
![]()
|
|
||||||||||||
(Hong Kong)










