Product Summary
The vskc166/16pbf is a Standard Recovery Diodes. It is ideal for: (1)DC motor control and drives; (2)Battery chargers; (3)Welders; (4)Power converters.
Parametrics
vskc166/16pbf absolute maximum ratings: (1)if(av): 230A; (2)IF(RMS): 360A; (3)IFSM: 5500 A; (4)I2t: 151 kA2s; (5)VRRM: 400 to 1600 V; (6)TJ: - 40 to 150°C.
Features
vskc166/16pbf features: (1)high voltage; (2)electrically isolated by dbc ceramic (ai2o3); (3)3500 vrms isolating voltage; (4)industrial standard package; (5)high surge capability; (6)glass passivated chips; (7)modules uses high voltage power diodes in four basic configurations; (8)simple mounting; (9)ul approved file e78996; (10)designed and qualified for multiple level; (11)material categorization: for definitions of compliance of compliance please see www.vishay.com/doc?99912.
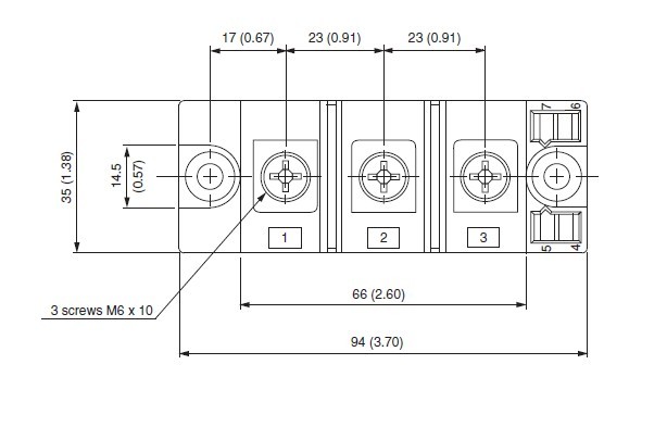
Diagrams

(Hong Kong)

