Product Summary
The MM5005 is a Bipolar PNP Device.
Parametrics
MM5005 absolute maximum ratings: (1)VCEO: 60 V; (2)IC(CONT): 2 A; (3)hFE: 50 to 250 V; (4)FT: 30M Hz; (5)PD: 1.5 W.
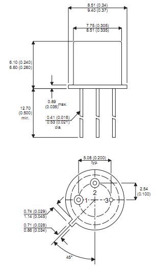
Diagrams
 
 
| Image | Part No | Mfg | Description |  | Pricing (USD) | Quantity | ||||||||||
|---|---|---|---|---|---|---|---|---|---|---|---|---|---|---|---|---|
|  |  MM5005 |  Other |  |  Data Sheet |  Negotiable |  | ||||||||||
| Image | Part No | Mfg | Description |  | Pricing (USD) | Quantity | ||||||||||
|  |  MM5005 |  Other |  |  Data Sheet |  Negotiable |  | ||||||||||
|  |  MM500PG1QA |  Honeywell |  Industrial Pressure / Force Sensors TRANS MM 500 PSIG 1/8 NPT PRESSURE |  Data Sheet |  
 |  | ||||||||||
|  |  MM500PG6HA |  Honeywell |  Industrial Pressure / Force Sensors Pressure Transducers |  Data Sheet |  
 |  | ||||||||||
|  |  MM50-200B1-1 |  JAE Electronics |  IC & Component Sockets U 656-MM50-200B1-1E |  Data Sheet |  Negotiable |  | ||||||||||
|  |  MM50-200B1-1E |  JAE Electronics |  IC & Component Sockets 0.6MM 200P RECEPT 2.5V |  Data Sheet |  Negotiable |  | ||||||||||
|  |  MM50200B11E300E |  JAE Electronics |  Memory Card Connectors 200P Socket DDR SDRAM SO-DIMM |  Data Sheet |  Negotiable |  | ||||||||||
 (Hong Kong)
 (Hong Kong) 
                         
                        
 
                                    




