Product Summary
The MBM29F160BE-70PFTN is a 16M-bit, 5.0 V-only Flash memory organized as 2M bytes of 8 bits each or 1M words of 16 bits each. The MBM29F160BE-70PFTN is offered in a 48-pin TSOP (I) package. The device of the MBM29F160BE-70PFTN is designed to be programmed in-system with the standard system 5.0 V VCC supply. 12.0 V VPP is not required for write or erase operations. The device can also be reprogrammed in standard EPROM programmers.
Parametrics
MBM29F160BE-70PFTN absolute maximum ratings: (1)Storage Temperature, Tstg: –55 to +125 ℃; (2)Ambient Temperature with Power Applied, TA: –40 to +85 ℃; (3)Voltage with Respect to Ground All pins except A9, OE, RESET (Note 1)VIN, VOUT: –2.0 to +7.0 V; (4)A9, OE, and RESET (Note 2), VIN: –2.0 to +14.0 V; (5)Power Supply Voltage (Note 1), VCC: –2.0 to + 7.0 V.
Features
MBM29F160BE-70PFTN features: (1)0.23 μm Process Technology; (2)Single 5.0 V read, program and erase; (3)Compatible with JEDEC-standard commands; (4)Compatible with JEDEC-standard world-wide pinouts; (5)Minimum 100,000 program/erase cycles; (6)High performance; (7)Sector erase architecture; (8)Boot Code Sector Architecture; (9)Embedded Erase Algorithms; (10)Embedded Program Algorithms; (11)Data Polling and Toggle Bit feature for detection of program or erase cycle completion; (12)Ready/Busy output (RY/BY); (13)Low VCC write inhibit ≤ 4.2 V; (14)Erase Suspend/Resume; (15)Hardware RESET pin; (16)Sector protection; (17)Temporary sector unprotection; (18)In accordance with CFI (Common Flash Memory Interface); (19)WP Input pin (Hardware Protect).
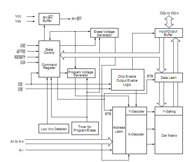
Diagrams
(Hong Kong)






