Product Summary
The LM12CLK1 is a power op amp. The LM12CLK1 is capable of driving ±25V at ±10A while operating from ±30V supplies. The monolithic IC of the LM12CLK1 can deliver 80W of sine wave power into a 4? load with 0.01% distortion. Power bandwidth is 60 kHz. Further, a peak dissipation capability of 800W allows it to handle reactive loads such as transducers, actuators or small motors without derating.
Parametrics
LM12CLK1 absolute maximum ratings: (1)Total Supply Voltage (Note 1): 80V; (2)Input Voltage: (Note 2); (3)Output Current: Internally Limited; (4)Junction Temperature: (Note 3); (5)Storage Temperature Range: -65℃ to 150℃; (6)Lead Temperature (Soldering, 10 seconds): 300℃; (7)Total Supply Voltage: 15V to 60V; (8)Case Temperature (Note 4): 0℃ to 70℃.
Features
LM12CLK1 features: (1)input protection; (2)controlled turn on; (3)thermal limiting; (4)overvoltage shutdown; (5)output-current limiting; (6)dynamic safe-area protection.
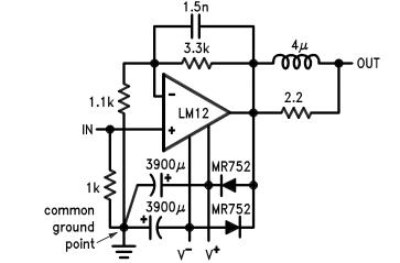
Diagrams
(Hong Kong)






