Product Summary
The LM117H/883 is an adjustable 3-terminal positive voltage regulator. The LM117H/883 is capable of supplying in excess of 1.5A over a 1.2V to 37V output range. They are exceptionally easy to use and require only two external resistors to set the output voltage. Further, both line and load regulation are better than standard fixed regulators. Also, the LM117H/883 is packaged in standard transistor packages which are easily mounted and handled.
Parametrics
LM117H/883 absolute maximum ratings: (1)Input-Output Voltage Differential: -0.3V to 40V; (2)Storage Temperature: -65℃ to +150℃; (3)Metal Package (Soldering, 10 seconds): 300℃; (4)Plastic Package (Soldering, 4 seconds): 260℃; (5)ESD Tolerance (Note 5): 3 kV.
Features
LM117H/883 features: (1)Guaranteed 1% output voltage tolerance (LM317A); (2)Guaranteed max. 0.01%/V line regulation (LM317A); (3)Guaranteed max. 0.3% load regulation (LM117); (4)Guaranteed 1.5A output current; (5)Adjustable output down to 1.2V; (6)Current limit constant with temperature; (7)P+ Product Enhancement tested; (8)80 dB ripple rejection; (9)Output is short-circuit protected.
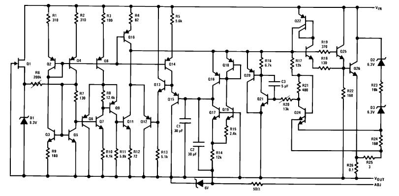
Diagrams
(Hong Kong)






