Product Summary
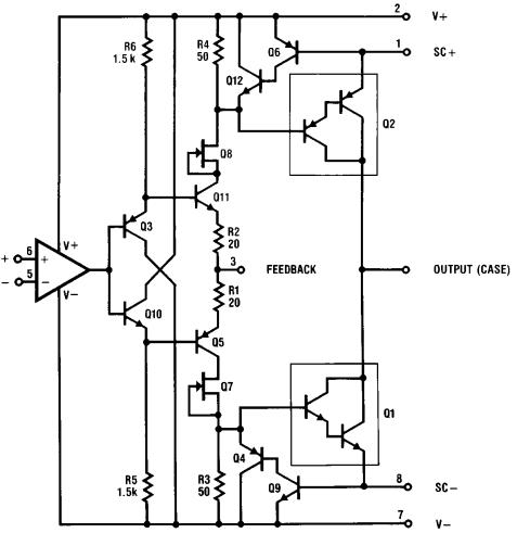
The LH0101AK is a wideband power operational amplifier. The LH0101AK is featuring FET inputs, internal compensation, virtually no crossover distortion, and rapid settling time. These features make the LH0101AK an ideal choice for DC or AC servo amplifiers, deflection yoke drives, programmable power supplies, and disk head positioner amplifiers. The LH0101AK is packaged in an 8 pin TO-3 hermetic package, rated at 60 watts with a suitable heat sink.
Parametrics
LH0101AK absolute maximum ratings: (1)Supply Voltage, VS: ±22V; (2)Power Dissipation at TA = 25 ℃, PD: 5W; (3)Power Dissipation at TC = 25 ℃: 62W; (4)Derate linearly at 2 ℃/W to zero at 150 ℃; (5)Differential Input Voltage, VIN: ±40V but < ±VS; (6)Input Voltage Range, VCM, 20V but ±VS; (7)Thermal Resistance, See Typical Performance Characteristics Peak Output Current (50 ms pulse), IO(PK): 5A; (8)Output Short Circuit Duration: Continuous; (9)Operating Temperature Range, TA: -25 ℃ to +85 ℃; (10)Storage Temperature Range, TSTG: -65 ℃ to +150 ℃; (11)Maximum Junction Temperature, TJ: 150 ℃; (12)Lead Temperature (Soldering < 10 sec.): 260 ℃.
Features
LH0101AK features: (1)5 Amp peak, 2 Amp continuous output current; (2)300 kHz power bandwidth; (3)850 mW standby power (±15V supplies); (4)300 pA input bias current; (5)10 V/μs slew rate; (6)Virtually no crossover distortion; (7)2 ms settling time to 0.01%; (8)5 MHz gain bandwidth.
Diagrams
| Image | Part No | Mfg | Description | ![]() |
Pricing (USD) |
Quantity | ||||
|---|---|---|---|---|---|---|---|---|---|---|
![]() |
![]() LH0101AK-MIL_1230075 |
![]() Other |
![]() |
![]() Data Sheet |
![]() Negotiable |
|
||||
| Image | Part No | Mfg | Description | ![]() |
Pricing (USD) |
Quantity | ||||
![]() |
![]() LH0101AK-MIL_1230075 |
![]() Other |
![]() |
![]() Data Sheet |
![]() Negotiable |
|
||||
(Hong Kong)









