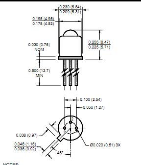
Product Summary
The L14G1 is a hermetic silicon phototransistor. The L14G1 is silicon phototransistors mounted in a narrow angle, TO-18 package.
Parametrics
L14G1 absolute maximum ratings: (1)Operating Temperature, TOPR: -65 to +125 ℃; (2)Storage Temperature, TSTG: -65 to +150 ℃; (3)Soldering Temperature (Iron), TSOL-I: 240 for 5 sec ℃; (4)Soldering Temperature (Flow), TSOL-F: 260 for 10 sec ℃; (5)Collector to Emitter Breakdown Voltage, VCEO: 45 V; (6)Collector to Base Breakdown Voltage, VCBO: 45 V; (7)Emitter to Base Breakdwon Voltage, VEBO: 5V; (8)Power Dissipation (TA = 25℃)(1), PD: 300 mW; (9)Power Dissipation (TC = 25℃)(2), PD: 600 mW.
Features
L14G1 features: (1)Hermetically sealed package; (2)Narrow reception angle.
Diagrams
| Image | Part No | Mfg | Description | ![]() |
Pricing (USD) |
Quantity | ||||
|---|---|---|---|---|---|---|---|---|---|---|
![]() |
![]() L14G1 |
![]() Fairchild Semiconductor |
![]() Photodetector Transistors 6mA PHOTO TRANS |
![]() Data Sheet |
![]() Negotiable |
|
||||
![]() |
![]() L14G1_Q |
![]() Fairchild Semiconductor |
![]() Photodetector Transistors 6mA PHOTO TRANS |
![]() Data Sheet |
![]() Negotiable |
|
||||
(Hong Kong)










