Product Summary
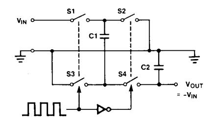
The ICL7662MTV is a monolithic charge pump voltage inverter. The ICL7662MTV will convert a positive voltage in the range of +4.5 V to -20 V. The ICL7662MTV provides performance far superior to previous implementations of charge pump voltage inverters by combining low quiescent current with high efficiency. The ICL7662MTV has an oscillator, control circuit, and 4 power MOS switches on-chip, with the only required external components being two low cost capacitors. The applications of the ICL7662MTV include Inexpensive Negative Supplies, Data Acquisition Systems, Up to -20 V for Op Amps, and Other Linear Circuits, Supply Splitter, Vout = VS/2, RS-232 Power Supplies.
Parametrics
ICL7662MTV absolute maximum ratings: (1)V+ TO GND: -0.3 to +22 V; (2)Oscillator Input to GND: -0.3 to V+ +0.3 V; (3)Power Dissipation: 300 mW; (4)Operationg Temperature Range, Military: -55 to 125 ℃; (5)Storage Temperature: -65 to 160 ℃; (6)Lead Temperature: +300 ℃.
Features
ICL7662MTV features: (1)+4.5 V to +20 V Supply to -4.5 V to -20 V Output; (2)Cascaded Voltage Multiplication; (3)99.7% Typical Open Circuit Conversion Efficiency; (4)Requires Only 2 External Capacitors; (5)Pin Compatible with the ICL7662MTV.
Diagrams
| Image | Part No | Mfg | Description | ![]() |
Pricing (USD) |
Quantity | ||||
|---|---|---|---|---|---|---|---|---|---|---|
![]() |
![]() ICL7662MTV-4 |
![]() Maxim Integrated Products |
![]() Charge Pumps |
![]() Data Sheet |
![]() Negotiable |
|
||||
| Image | Part No | Mfg | Description | ![]() |
Pricing (USD) |
Quantity | ||||
![]() |
![]() ICL701-1 |
![]() Other |
![]() |
![]() Data Sheet |
![]() Negotiable |
|
||||
![]() |
![]() ICL701-4 |
![]() Other |
![]() |
![]() Data Sheet |
![]() Negotiable |
|
||||
![]() |
![]() ICL7104-14CPL |
![]() Intersil |
![]() 14 BIT A/D CONVERTER |
![]() Data Sheet |
![]() Negotiable |
|
||||
![]() |
![]() ICL7104-16CPL |
![]() Intersil |
![]() 16 BIT A/D CONVERTER |
![]() Data Sheet |
![]() Negotiable |
|
||||
![]() |
![]() ICL7106 |
![]() Other |
![]() |
![]() Data Sheet |
![]() Negotiable |
|
||||
![]() |
![]() ICL7106C/D |
![]() Maxim Integrated Products |
![]() Display Drivers & Controllers |
![]() Data Sheet |
![]() Negotiable |
|
||||
(Hong Kong)









