Product Summary
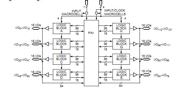
The CY7C375I-83GMB is an In-System Reprogrammable Complex Programmable Logic Device (CPLD). The CY7C375I-83GMB is part of the FLASH370i family of high-density, high-speed CPLDs. Like all members of the FLASH370i family, the CY7C375I-83GMB is designed to bring the ease of use and high performance of the 22V10 to high-density PLDs.
Parametrics
CY7C375I-83GMB absolute maximum ratings: (1)Storage Temperature: –65℃ to +150℃; (2)Ambient Temperature with Power Applied: –55℃ to +125℃; (3)Supply Voltage to Ground Potential: –0.5V to +7.0V; (4)DC Voltage Applied to Outputs in High-Z State: –0.5V to +7.0V; (5)DC Input Voltage: –0.5V to +7.0V; (6)DC Program Voltage: 12.5V; (7)Output Current into Outputs: 16 mA; (8)Static Discharge: > 2001 V; (9)Latch-up Current: > 200 mA.
Features
CY7C375I-83GMB features: (1)128 macrocells in eight logic blocks; (2)128 I/O pins; (3)Five dedicated inputs including 4 clock pins; (4)In-System Reprogrammable (ISR?) Flash technology — JTAG Interface; (5)Bus Hold capabilities on all I/Os and dedicated inputs; (6)No hidden delays; (7)High speed, fMAX = 125 MHz, tPD = 10 ns, tS = 5.5 ns, tCO = 6.5 ns; (8)Fully PCI compliant.
Diagrams

(Hong Kong)






