Product Summary
The FLM3135-8F is a power GaAs FET. The FLM3135-8F is internally matched for standard communication bands to provide optimum power and gain in a 50 ohm system. Eudyna’s stringent Quality Assurance Program assures the highest reliability and consistent performance.
Parametrics
FLM3135-8F absolute maximum ratings: (1)VDS: 15 v; (2)VGS: -5 v; (3)PT: 42.8 w; (4)Tstg: -65 to 175 ℃; (5)Tch: 175 ℃.
Features
FLM3135-8F features: (1)High Output Power: P1dB = 39.5dBm (Typ.); (2)High Gain: G1dB = 11.0dB (Typ.); (3)High PAE: ηadd = 37% (Typ.); (4)Low IM3 = -45dBc@Po = 28.5dBm; (5)Broad Band: 3.1 ~ 3.5GHz; (6)Impedance Matched Zin/Zout = 50; (7)Hermetically Sealed Package.
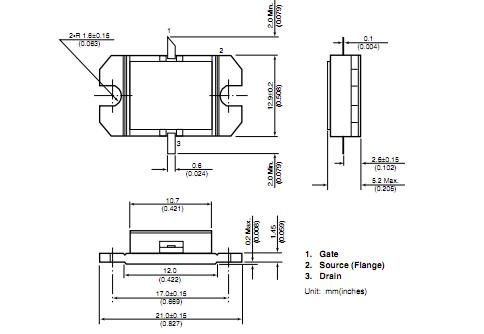
Diagrams
(Hong Kong)

